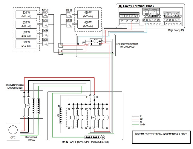
I recently upgraded my electric service from single phase (110V) to split-phase (220/110V). So I reconfigured my EmonPI to use the second CT in the second leg (previously I used it to monitor my solar panels).
However, even with the photovoltaic system turned off, the second leg is showing a negative value when there is no load in that leg.
One CT (phase 1) is pointing towards the load and the second CT is pointing the other way. The voltage sensor (ACAC converter) is connected in phase 1.
This graphic shows how CT 2 is showing a constant value of aroud -100W, with a strange behaviour during the night.
I am wondering if there is something wrong in my installation or if this is an issue on EmonPI (which I had since 2017 and has been working with no issues at all!).
I am using stock SD image 10-Nov-2022 (stable), but I upgraded the firmware to emonPi_CM 1.1.4, with EmonHubOEMInterfacer (which I re-compiled manually to adjust the Vrms value).
This morning I reverted to the previous firmware using EmonHubJeeInterfacer, but still showing negative values in phase 2.





