Hello everyone,
I’d like to manage my Daikin heat pump water heater with Home Assistant. Is there any system available, or has anyone managed to create an interface?
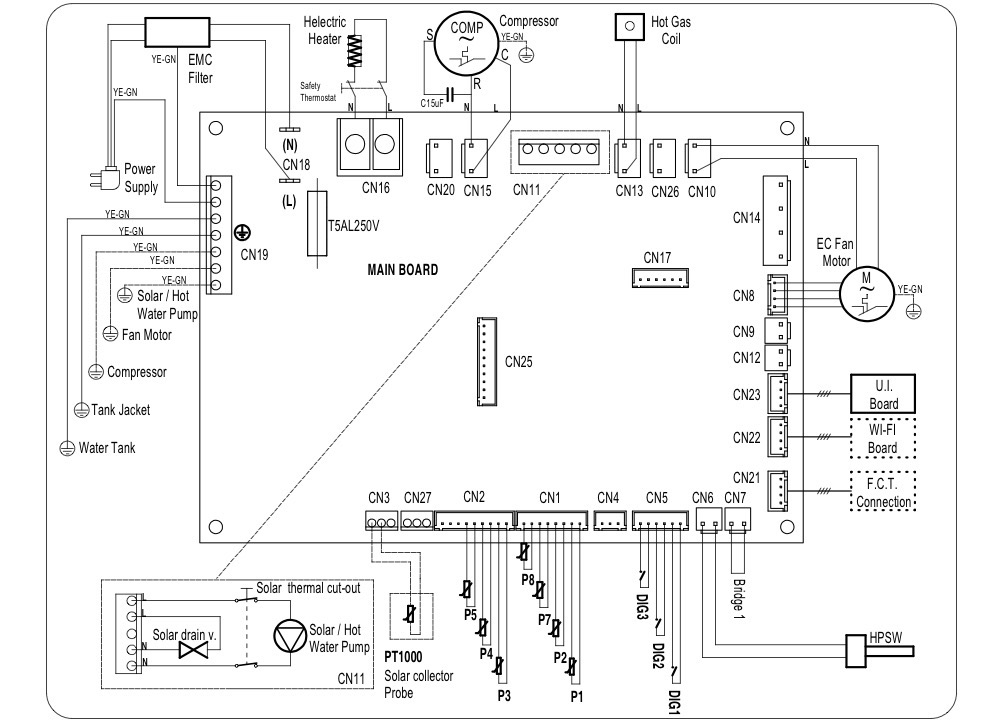
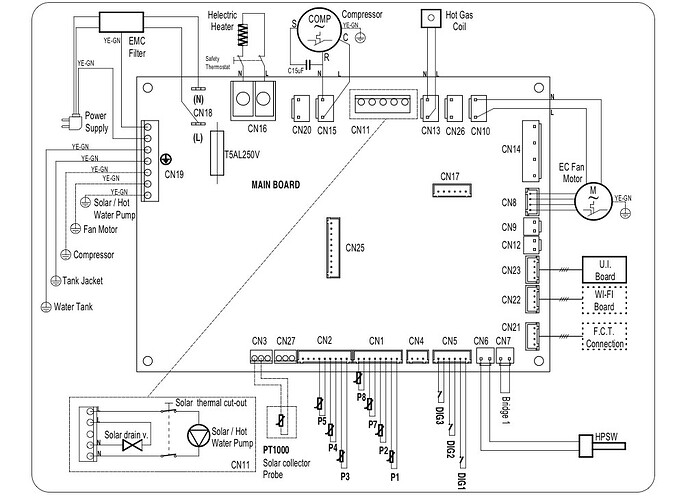
I found a photo of the mainboard showing the CN22 connector for the Wi-Fi adapter, but there’s nothing listed as compatible on the Daikin website.
Thank you very much.
