New here, Hi all ![]()
Hope I’m in the right place.
OK, I’ve 4 x Catl 300Ah LiFePo4 batteries on my full time liveaboard sailing boat, DIY install. 2 years & works just great.
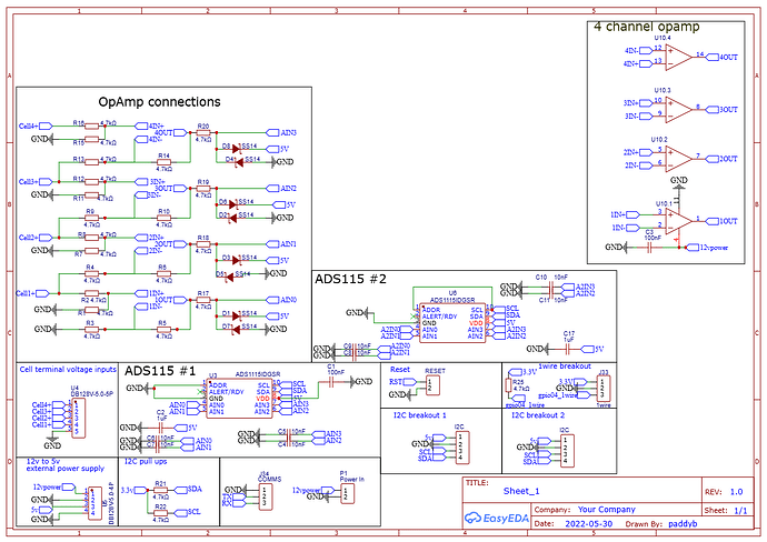
There’s a home made cell voltage monitor which has a 4 channel opamp measuring cell voltage with a ads1115 into an esp32 which then sends data to a raspberry pi. It all works fine, records all the data so easy to see at the top knee if any cells are out of balance. Just about to draw up and order from jlcpcb some boards with everything surface mounted and tidy. But very much learning as it goes so any comments about this ciruit would be very welome, it seems to work just fine & above all it’s useful. Took a moment to calibrate in software & still probably out a bit but the real juicy data is when each cell hits the top knee so not sure it matters that much.
This look OK or have I made some silly mistakes along the way?
Thnx!!
Ooops, not allowed to post attachments yet, this hopefully will give the idea, in addition there’s a zenor diode on the opamp output to 5v to hopefully protect the ads1115 (shown on cell 4 output) . Blown a few of those… ![]()
So this looks pretty much what is there at the moment with external components & seems to work OK, but maybe I just got lucky…
Need to draw up the real thing in easyeda next but any pointers would be welcome ![]()
Edit, this is the board in use atm with headers for the external components as a test, been testing for a while now…
Would be nice to have everything inc. esp32 surface mounted from jlcpcb
Except link doesn’t work
Maybe need to be logged on to easyeda? Anyway, enough to hopefully get the ball rolling, thnx

